聯(lián)系人: 蘇經(jīng)理
手 機(jī):13831763233
QQ:1174742969



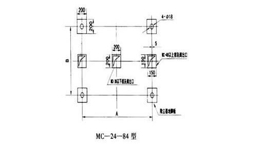
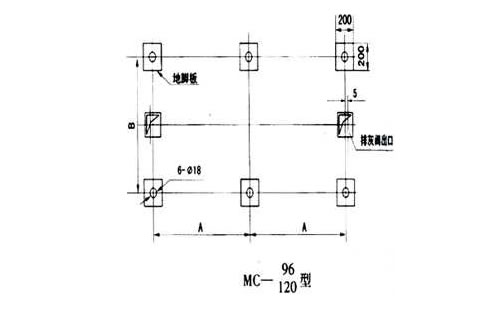
MC-Ⅱ型脈沖袋式除塵器是在MC—Ⅰ型的基礎(chǔ)上,改進(jìn)的新型脈沖袋式除塵器。為了進(jìn)一步完善MC-Ⅰ型脈沖袋式除塵器,將原進(jìn)行了修改,改后的MC-Ⅱ型脈沖袋式除塵器保留了MC-Ⅰ型的凈化效率高,處理氣體能力大,性能穩(wěn)定,操作方便、濾袋壽命長、維修工作量小等優(yōu)點。MC-Ⅱ型脈沖袋式除塵器而且從結(jié)構(gòu)上和脈沖閥上進(jìn)行改進(jìn),解決了露天安放和壓縮空氣壓力低的問題。MC-Ⅱ型脈沖袋式除塵器適用機(jī)械、冶金、橡膠、面粉、化工、制藥、碳素、建材、礦山等單位。



